Rechercher un produit, une référence...
Type
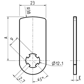
1048-1
Forme
plat
Longueur
38 mm
Compatible avec
batteuse 1048A