Rechercher un produit, une référence...
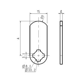
Type
4929-1
Forme
plat
Longueur
25 mm
Compatible avec
batteuse 32350