Rechercher un produit, une référence...
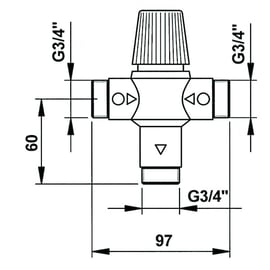
Application
sanitaire
Diamètre d'entrée
3/4"
Diamètre sortie
Plage de température
30 à 65 °C