Rechercher un produit, une référence...
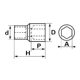
Type d'empreinte
6 pans
Type de douille
courte , femelle
Finition
chromé
Diamètre serrage / desserrage
9 mm
Carré d'entraînement
1/4"